网站首页 | 设为首页 | 加入收藏  
网站首页    公司简介    新闻中心    经营范围    新品展示    产品展示    信息咨询    电子地图    联系我们
 
  + DC塑料涡流离心风机
  + 涡流离心风机
  + 离心风机
  + 圆形管道离心风机
  + 方形管道离心风机
  + 墙上风机
  + 换气新风机
  + 屋顶吸力风机
  + 无外壳离心风机
  + 变频电机专用排风扇风机
  + G系列变频电机专用风机
  + 单法兰轴流风机
  + 双法兰轴流风机
  + 方框式轴流风机
  + 网罩式外转子轴流风机
  + 双边圆轴流风机
  + 永磁低速同步电动机
  + 室外抽风机
 
联系我们
电话:0512-66566499
   0512-66566496
传真:0512-66566497-3
地址:苏州吴中经济开发区旺山
      工业园溪水路4号
E-mail:jy@xinjiefei.com
E-mail:hu13814822211@126.com
QQ:524709514
 
 
FLJ-WL铝叶涡流离心风机   FLJ-WS塑料涡流离心风机    FLJ-WT金属涡流离心风机

  ◎133FLJ-WS   ◎175FLJ-WS   ◎180FLJ-WS   ◎190FLJ-WS   ◎220FLJ-WS   ◎225FLJ-WS   ◎250FLJ-WS


涡流离心风机

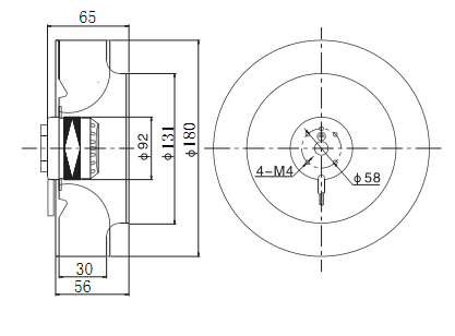
180FLJ-WS
型号
Type
电压
Voltage
V
相数
Phase
频率
Fre-quency
Hz
输入电流
Input Current
A
输入功率
Input Power
W
转速
Speed
r/min
风量
Air Volume
m3/min
静压
Static Pressure
Pa
噪音
Noise
dB(A)
电容
Capa-citance
µF/V
重量
Weight
kg
接线图
Diagram
180FLJ1-2WS 110 1 50 0.50 50 2650 7.5 250 62 8.0/250 1.2 A
180FLJ2-2WS 220 1 50 0.26 50 2650 7.5 250 62 2.0/500 1.2 A
180FLJ3-2WS 380 3 50 0.15 50 2650 7.5 250 62 / 1.2 C
180FLJ4-2WS 380 1 50 0.20 50 2650 7.5 250 62 1.0/630 1.2 B

 
    外形及安装尺寸     风量静压曲线

 


苏州新捷飞微电机制造有限公司生产外转子风机,卡通风机,离心风机,轴流风机,低速同步电机.0512-66566499 苏ICP备07016868
技术支持:苏州商赢科技