网站首页 | 设为首页 | 加入收藏  
网站首页    公司简介    新闻中心    经营范围    新品展示    产品展示    信息咨询    电子地图    联系我们
 
  + DC塑料涡流离心风机
  + 涡流离心风机
  + 离心风机
  + 圆形管道离心风机
  + 方形管道离心风机
  + 墙上风机
  + 换气新风机
  + 屋顶吸力风机
  + 无外壳离心风机
  + 变频电机专用排风扇风机
  + G系列变频电机专用风机
  + 单法兰轴流风机
  + 双法兰轴流风机
  + 方框式轴流风机
  + 网罩式外转子轴流风机
  + 双边圆轴流风机
  + 永磁低速同步电动机
  + 室外抽风机
 
联系我们
电话:0512-66566499
   0512-66566496
传真:0512-66566497-3
地址:苏州吴中经济开发区旺山
      工业园溪水路4号
E-mail:jy@xinjiefei.com
E-mail:hu13814822211@126.com
QQ:524709514
 
 
网罩式外转子轴流风机

  ◎概述   ◎200FZL-W   ◎250FZL-W   ◎300FZL-W   ◎330FZL-W   ◎350FZL-W   ◎380FZL-W   ◎400FZL-W   ◎420FZL-W   ◎450FZL-W   ◎S6E 450-AF08-Q(H)   ◎500FZL-W   ◎550FZL-W   ◎600FZL-W   ◎630FZL-W


网罩式外转子轴流风机

580FZL-W
型号
Type
电压
Voltage
V
相数
Phase
频率
Fre-quency
Hz
输入电流
Input Current
A
输入功率
Input Power
W
转速
Speed
r/min
风量
Air Volume
m3/min
噪音
Noise
dB(A)
电容
Capa-citance
µF/V
重量
Weight
kg
接线图
Diagram
550FZL2-4W 1/2 220 1 50 1.4 550 1300 160 79 10/500 15 B
550FZL3-4W 1/2 380 1 50 1.4 550 1300 160 79 / 15 C
550FZL2-6W 1/2 220 3 50 1.2 360 900 110 74 10/500 15 B
550FZL2-6W 1/2 380 1 50 0.9 360 900 110 74 / 15 C

 
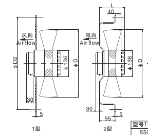
    外形及安装尺寸

 


苏州新捷飞微电机制造有限公司生产外转子风机,卡通风机,离心风机,轴流风机,低速同步电机.0512-66566499 苏ICP备07016868
技术支持:苏州商赢科技